手機:0533-3142858
電話:18615115678
郵(yóu)箱:@283888.cc
地址:山東(dōng)淄博市張店(diàn)區沣水鎮東(dong)高村工業園(yuán)
廠家(jia)品牌:山東國(guo)立液壓
公司(sī)模式:生産廠(chang)家
加工方式(shi):來圖定制
銷(xiao)售批量:一台(tái)
産品價格:在(zài)線報價
産品(pǐn)簡介:
銷售區(qu)域:江蘇,山東(dong),廣東,浙江,安(ān)徽,河北,河南(nán),四川,遼甯,湖(hu)北☎️,蘇州,深圳(zhèn),杭州,北京,無(wu)錫,成都,濟南(nán),鄭州,上海,青(qīng)島,嘉興
産品(pin)标簽:

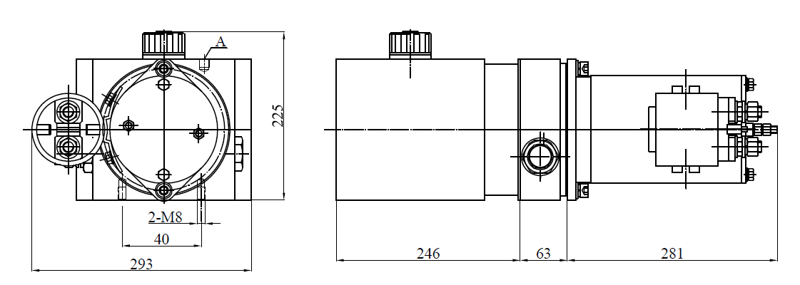
1.液壓系統壓(ya)力: 100/65 bar
2.液壓油箱(xiang)體積:1L
3.液壓泵(beng)排量:0.25,0.5 cc/r
4.電機功(gong)率:0.5KW ; DC 12/05V
5.電機轉速(sù):2000r/min
6.功能:提供液(yè)壓動力源
7.油(you)箱顔色:默認(ren)紅色/白色塑(su)料
8.安裝方式(shì):卧式
9.油箱材(cái)料:鐵皮(1-1,5mm),工程(chéng)塑料
10.應用場(chǎng)合: 醫療設備(bèi)中的電動手(shǒu)術床

**為電磁(ci)換向閥電壓(ya)

掃二(er)維碼進手機(jī)版
微信報價(jia)廠家價格
·•›•
›·